


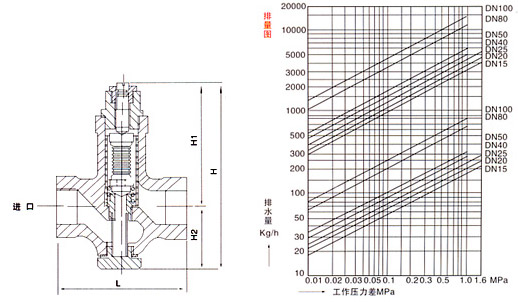
1、公稱壓力PN:0 8、1 0、1 6、2 5、4 0MPa
2、公稱通徑DN l 5、20、25、32、40、50、65、80、1 00mm
3、排水溫度:A組65~1 00℃
B組95~1 35℃
C組1 30~1 65℃
4、漏氣率:0 5%以下
5、壽命1 0000小時以上
6、使用溫度:80~450℃
7、連接萬式三種:
I、ST為螺紋角式
II、STB為螺紋直通帶過濾器
III、STC為法蘭直通帶過濾器

| 型號(DN) | 外形尺寸 | 最大排量 | 型號(DN) | 外形尺寸 | 最大排量 T/h | 法蘭外徑 D | ||
|---|---|---|---|---|---|---|---|---|
| 長L | 高H | 長L | 高H | |||||
| ST8-15 | 120 | 65 | 1.4 | STB16-15 | 90 | 150 | 3.0 | |
| ST8-20 | 120 | 65 | 3.0 | STB16-20 | 100 | 150 | 4.0 | |
| ST8-25 | 130 | 70 | 4.0 | STB16-25 | 120 | 165 | 5.0 | |
| ST16-15 | 120 | 65 | 3.0 | STB10-40 | 140 | 185 | 9.0 | |
| ST16-20 | 120 | 65 | 4.0 | STB10-50 | 160 | 195 | 11.0 | |
| ST16-25 | 130 | 70 | 5.0 | STC16-15 | 150 | 175 | 3.0 | 95 |
| ST16-40 | 145 | 85 | 9.0 | STC16-20 | 150 | 175 | 4.0 | 105 |
| ST16-50 | 145 | 95 | 11.0 | STC16-25 | 160 | 185 | 5.0 | 115 |
| STC10-40 | 230 | 255 | 9.0 | 145 | ||||
| STC10-50 | 230 | 255 | 11.0 | 160 | ||||
| STC10-80 | 310 | 285 | 18.0 | 195 | ||||
| STC10-100 | ||||||||
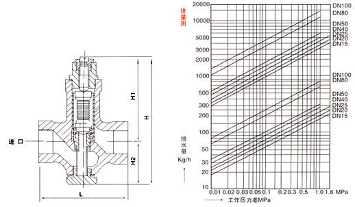
1、公稱壓力PN:0 8、1 0、1 6、2 5、4 0MPa
2、公稱通徑DN l 5、20、25、32、40、50、65、80、1 00mm
3、排水溫度:A組65~1 00℃
B組95~1 35℃
C組1 30~1 65℃
4、漏氣率:0 5%以下
5、壽命1 0000小時以上
6、使用溫度:80~450℃
7、連接萬式三種:
I、ST為螺紋角式
II、STB為螺紋直通帶過濾器
III、STC為法蘭直通帶過濾器

| 型號(DN) | 外形尺寸 | 最大排量 | 型號(DN) | 外形尺寸 | 最大排量 T/h | 法蘭外徑 D | ||
|---|---|---|---|---|---|---|---|---|
| 長L | 高H | 長L | 高H | |||||
| ST8-15 | 120 | 65 | 1.4 | STB16-15 | 90 | 150 | 3.0 | |
| ST8-20 | 120 | 65 | 3.0 | STB16-20 | 100 | 150 | 4.0 | |
| ST8-25 | 130 | 70 | 4.0 | STB16-25 | 120 | 165 | 5.0 | |
| ST16-15 | 120 | 65 | 3.0 | STB10-40 | 140 | 185 | 9.0 | |
| ST16-20 | 120 | 65 | 4.0 | STB10-50 | 160 | 195 | 11.0 | |
| ST16-25 | 130 | 70 | 5.0 | STC16-15 | 150 | 175 | 3.0 | 95 |
| ST16-40 | 145 | 85 | 9.0 | STC16-20 | 150 | 175 | 4.0 | 105 |
| ST16-50 | 145 | 95 | 11.0 | STC16-25 | 160 | 185 | 5.0 | 115 |
| STC10-40 | 230 | 255 | 9.0 | 145 | ||||
| STC10-50 | 230 | 255 | 11.0 | 160 | ||||
| STC10-80 | 310 | 285 | 18.0 | 195 | ||||
| STC10-100 | ||||||||
1、公稱壓力PN:0 8、1 0、1 6、2 5、4 0MPa
2、公稱通徑DN l 5、20、25、32、40、50、65、80、1 00mm
3、排水溫度:A組65~1 00℃
B組95~1 35℃
C組1 30~1 65℃
4、漏氣率:0 5%以下
5、壽命1 0000小時以上
6、使用溫度:80~450℃
7、連接萬式三種:
I、ST為螺紋角式
II、STB為螺紋直通帶過濾器
III、STC為法蘭直通帶過濾器

| 型號(DN) | 外形尺寸 | 最大排量 | 型號(DN) | 外形尺寸 | 最大排量 T/h | 法蘭外徑 D | ||
|---|---|---|---|---|---|---|---|---|
| 長L | 高H | 長L | 高H | |||||
| ST8-15 | 120 | 65 | 1.4 | STB16-15 | 90 | 150 | 3.0 | |
| ST8-20 | 120 | 65 | 3.0 | STB16-20 | 100 | 150 | 4.0 | |
| ST8-25 | 130 | 70 | 4.0 | STB16-25 | 120 | 165 | 5.0 | |
| ST16-15 | 120 | 65 | 3.0 | STB10-40 | 140 | 185 | 9.0 | |
| ST16-20 | 120 | 65 | 4.0 | STB10-50 | 160 | 195 | 11.0 | |
| ST16-25 | 130 | 70 | 5.0 | STC16-15 | 150 | 175 | 3.0 | 95 |
| ST16-40 | 145 | 85 | 9.0 | STC16-20 | 150 | 175 | 4.0 | 105 |
| ST16-50 | 145 | 95 | 11.0 | STC16-25 | 160 | 185 | 5.0 | 115 |
| STC10-40 | 230 | 255 | 9.0 | 145 | ||||
| STC10-50 | 230 | 255 | 11.0 | 160 | ||||
| STC10-80 | 310 | 285 | 18.0 | 195 | ||||
| STC10-100 | ||||||||